Search
Additional Links Contact Us- Phone: 714-375-6300
- Toll-Free: 800-421-0362
- Fax: 714-375-6314
- Email: [email protected]
Join us at the ADPI Annual Conference in Chicago April 26-28. Register HERE!
ProMach is your partner from start to finish. Our product brands are grouped into distinct business lines that make the most sense to our customers, covering every function of the production line: Filling, Bottling & Capping, Decorative Labeling, Flexibles & Trays, Pharma, Handling & Sterilizing, Labeling & Coding, Robotics & End of Line, and Systems & Integration.
learn more
The Statco-DSI Therma-Stat is the most efficient and reliable Ultra-High Temperature (UHT) processor in the industry. Our Therma-Stat systems use direct steam injection, which helps maximize efficiency, reduce costs, and minimize product loss.
All Therma-Stat systems are interchangeable, capable of operating as both Extended Shelf Life (ESL) and aseptic processors that are compliant with the pasteurized milk ordinance and other federal regulations. Because they can accommodate both ESL and aseptic processing, our Therma-Stats can be used for a wide variety of products, including those intended for refrigerated and non-refrigerated retail, vending machines, and food service distribution.
The Therma-Stat represents a new era in ESL and UHT processing, thanks to its cutting-edge design and innovative features. It uses direct steam injection to bring product streams to a precise holding temperature before rapidly cooling the product and removing vapor.
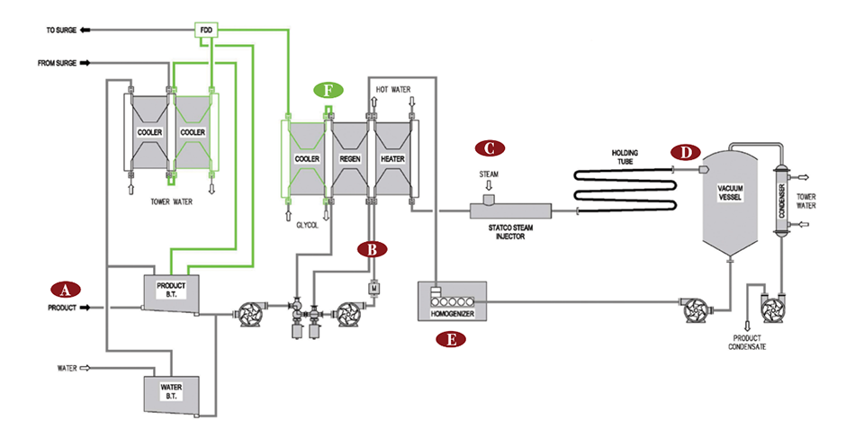
Learn more about how our system works using the diagram below:

A) Raw product from the system balance tank undergoes regeneration heating versus ultra-pasteurized product exiting the flash chamber in a plate heat exchanger (PHE).
B) Raw product exiting the PHE is metered by a legal timing pump through the heater section of the PHE and discharged into the culinary steam injector.
C) Culinary steam is injected directly into the product stream to produce the desired holding temperature before routing through the legal holding tube.
D) Product exits the holding tube into a flash chamber where the controlled vacuum environment instantly reduces the product temperature and removes the product vapor that was added as culinary steam.
E) Product exiting the flash chamber is routed through an aseptic homogenizer en route to the ultra-pasteurized side of the PHE, where it undergoes regeneration cooling.
F) Ultra-pasteurized product exiting the regenerator undergoes final cooling versus glycol before routing past the legal flow diversion device (FDD) en route to the final product destination.
Statco-DSI Therma-Stat processors are highly versatile UHT systems. Since they can switch between ESL and aseptic processing, our Therma-Stats are ideal for both low-acid and high-acid foods.
Fluid milk
Nut milk
Plant-based products
Ice cream mixes
Heavy whipping cream
Non-dairy creamers & whipped topping
Whey-based and soy-based products
Juices
Smoothies
Purees
Particulate products
Acidified products
Broths and stocks
Statco-DSI’s Therma-Stat UHT processors are built with readily available, domestically supplied components for long-term ease of maintenance and reduced downtime. We build our systems in-house to control the project timeline and ensure on-time delivery.
The Therma-Stat offers smooth, quiet operation that extends equipment lifespan between scheduled maintenance. That reduced maintenance leads to longer run times, reduced product loss, and a maximum return on your investment.
Our Therma-Stat systems also offer exclusive features, including:
Product-to-Product Regeneration: Raw product heated with ultra-pasteurized product significantly reduces energy usage and system complexity
Seamless Routing: Unrestricted routing to multiple destinations maximizes production runs and minimizes scheduling conflicts
Optimized Design Performance: Reduces utility usage, costs, and environmental impact
What sets our Therma-Stat apart from other UHT processors is the Statco-DSI standard design features that are optional on competitor systems. Our team can also customize equipment to meet your specific needs.
Our complete package includes:
On-site commissioning, including start-up assistance and operator training
Steam flow and steam quality
Tower water flow and load
Glycol flow and load
Process water flow and consumption
Phase detection of the product entering the UHT processor and at all product destinations
Seamless transitions between sterilization, production, AIC, and CIP with no field swings
Ready to Learn More? Get in Touch with Our Team!